技术服务

余热回收技术

首页 > 技术服务 > 余热回收技术

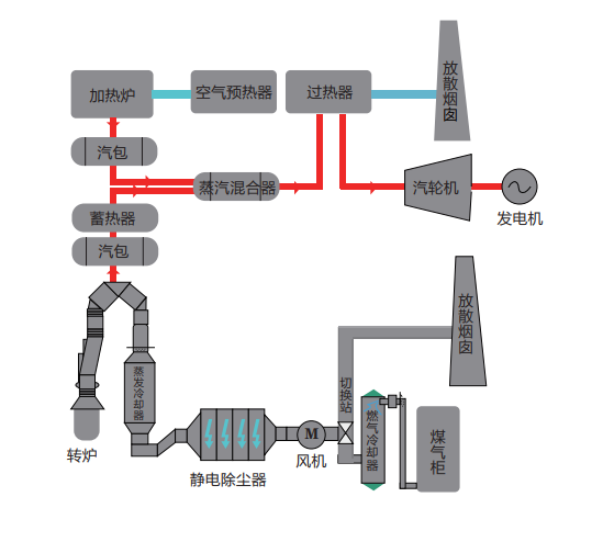
转炉加热炉余热回收及发电技术

技术介绍:

该技术有效解决了转炉汽化冷却烟道在生产中所产生的蒸汽因其产量不均衡而难以利用的难题,它通过蓄热器将不稳定的饱和蒸汽变为压力、流量相对稳定的饱和蒸汽,再通过管道送入蒸汽过热器(过热源可利用加热炉烟气余热或其他热源),稳定的过热蒸汽进入汽轮发电机做功发电,所产生的电能可并入厂内电网或外网。

流程图:

技术优势:

采用蓄热技术解决系统热能稳定问题。

采用蒸汽过热技术,提高发电率。

采用变频节能技术,降低系统能耗。

实现了多种汽源的优化配合。

关键技术指标:

15~20 Kwh/t钢

版权所有:山东耀华能源投资管理有限公司